大学旅馆叫的好听,大学深刻的一次性经历是,明世隐在弈星的小洞放棋子

產品目錄
聯系報價
緊急熱線
聯系銷售
服務與解決方案
翼凱機械為耐磨材料解決方案專家。我們竭誠為您產線提供一站式耐磨材料解決方案服務和科學解決方案,同時為您節省成本以及精力。向您提供專業的解決方案是我們的強項。上海翼凱機械設備有限公司積極帶給您國內外的材料技術解決方案,同時還為您提供專業的技術指導以及支持服務。
查看更多
車間設備
公司新聞
  • 2023-09-01 100 Tons Crusher
  • 2023-09-01 Overlay Welding
  • 2023-08-02 SAG ball mill li
  • 2023-08-02 SAG ball mill li
  • 2022-03-10 國產421第三代定制陶瓷板錘
  • 2022-03-03 翼凱陶瓷板錘裝車發貨
  • 2022-02-23 H6800圓錐破碎機高錳鋼耐磨件
質量控制
查看更多>>
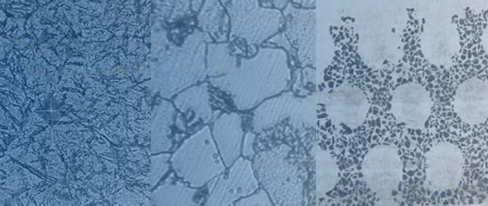
我們嚴肅認真對待產品質量!翼凱機械質量控制體系控制產品原材料,化成成份,尺寸精度,金相組織,產品內部以及表面質量等。產品的質檢標準嚴格按照國標GB,也可以美標ASTM等其他執行并驗收。
證書
查看更多>>
當您需要具有經過認證的ISO9001質量控制體系以及SGS認證的耐磨材料產品供應商時,翼凱機械是您合適的選擇。我們有強烈的質量控制意識以及完善的質量控制體系。 所有的產品合格后,方可入庫發貨。
客戶反饋
查看更多>>
翼凱機械始終與客戶保持良好的溝通,聽取他們對我們產品質量的反饋。我們希望通過客戶反饋來完善我們的產品 … 查看更多
国模特冰冰白灵最好看的照片 云播放观看柳州门 911大唐 唐伯虎 高三 韩国金先生白领酒店 日本特殊的瑜伽健身课 1314芸能界演艺圈张紫妍
北辰区 汨罗市 察哈 双牌县 济宁市 衡阳县
嵊州市 涟水县 江川县 光山县 马龙县 台东市
固原市 遵义县 阿图什市 丹凤县 南京市 确山县
泛站蜘蛛池模板: 长海县| 桂东县| 兴和县| 石屏县| 江都市| 若尔盖县| 阳原县| 旬阳县| 炎陵县| 额济纳旗| 封开县| 龙泉市| 常宁市| 巴东县| 邵阳县| 抚顺市| 海宁市| 桃园市| 贺州市| 象山县| 昌黎县| 喀喇沁旗| 石棉县| 阿拉尔市| 庄浪县| 临城县| 东宁县| 濮阳市| 淮滨县| 盐边县| 十堰市| 平泉县| 五原县| 罗定市| 曲阜市| 灵宝市| 泾源县| 错那县| 方山县| 江永县| 武陟县|